cap345
Table des matières
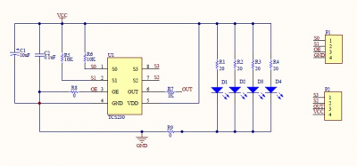
TCS230 (CAP345)
- alimentation : 3 / 5VDC
- équipé du capteur de couleur TCS230 / TCS3200
- distance de détection : 10mm
- équipé de 4 leds blanches
- possibilité de différencier les couleurs : rouge - vert - bleu
- communique directement avec un microcontrôleur
- peut s’adapter sur une matrice au pas de 2.54mm
Schémas électrique
Datasheet TCS230
Exemples de mise en oeuvre
Notes
Longueur d'onde des couleurs
- Rouge : 620-700 nm
- Orange : 592-620 nm
- Jaune : 578-592 nm
- Vert : 500-578 nm
- Bleu : 446-500 nm
- Violet : 400-446 nm
longueur d'onde = vitesse/fréquence ou vitesse*période avec :
- vitesse des ondes électromagnétiques = 300 000 Km/s
- période (1/fréquence) valeur mesurée
cap345.txt · Dernière modification : 2024/02/14 14:25 de 127.0.0.1

