cap367
CAP367/CAP919
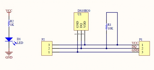
CAPTEUR DE TEMPERATURE ANALOGIQUE-NUMERIQUE
- alimentation : 5VDC
- équipé du DS18B20
- mesure de la température : - 55° à + 125°C
- le module peut se connecter directement sur les entrées/sorties de la carte contrôleur Arduino ou compatible
cap367.txt · Dernière modification : 2024/02/14 14:25 de 127.0.0.1

