cap301
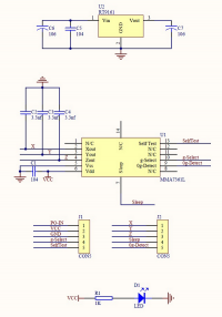
CAP301
MODULE ACCÉLÉROMÈTRE 3 AXES
- alimentation : 3.3 / 5VDC
- équipé du micro capteur d’accélération capacitif MMA7361
- sensibilité ajustable
- basse consommation et haute sensibilité
- possède un filtre passe bas
- possède le mode «sleep»
- peut s’adapter sur une matrice au pas de 2.54mm
cap301.txt · Dernière modification : 2024/02/14 14:25 de 127.0.0.1

