cap227
Table des matières
CAP227 / KY-033
Caractéristiques
- alimentation : 3.3 / 5 VDC
- équipé du LM393 et d’une sonde de détection infrarouge
- indication de l’état de sortie sur la carte
- le signal de sortie peut se connecter directement sur les entrées/sorties de la carte contrôleur Arduino ou compatible
- la sensibilité de détection du signal peut être ajustée
- idéal pour suivre une ligne
Fonctionnement
Si le capteur détecte une surface blanche, le témoin s'allume et la sortie est placée à l'état bas.
Sinon si le capteur ne détecte rien ou détecte une surface noire, le témoin est éteint et la sortie est à 1.
Bibliothèque
- Arduino : Sans objet (digitalRead)
- mBloc : Arduino ou TS_Grove
Connexion
- Alimentation : VCC et GND
- Donnée : N'importe quelle broche numérique
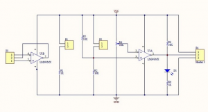
Schémas électrique
Encombrement
cap227.txt · Dernière modification : 2024/02/14 14:25 de 127.0.0.1


